Rơ-le quang điện 24VDC transistor 1A AMMDU 50085: Một module cách ly tín hiệu điện tử dùng trong hệ thống điều khiển và tủ điện công nghiệp để cách ly điện áp điều khiển và tải đầu ra, giúp bảo vệ mạch và xử lý tín hiệu DC nhanh mà không dùng tiếp điểm cơ khí
– IN: 53 VDC
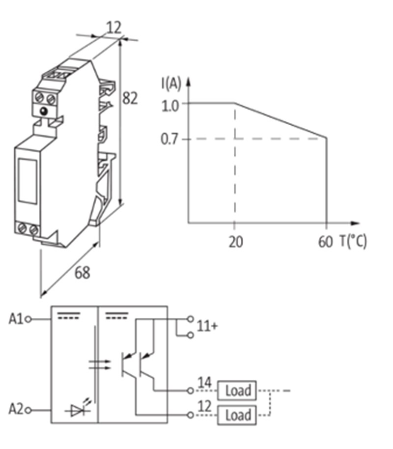
– OUT: 53 VDC / 1 A – 1 tiếp điểm C/O; đầu nối kiểu vít 12 mm
– Chiều cao: 12 mm
– Chiều rộng: 82 mm
– Độ sâu: 68 mm


