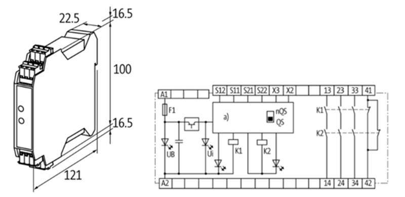
Rơ-le an toàn 3NO 1NC MIRO SAFE 3000-33113-3020012: Đây là rơ-le an toàn thuộc dòng MIRO SAFE+ của Murrelektronik, dùng để giám sát và đảm bảo an toàn cho các mạch điều khiển quan trọng trong công nghiệp
– Nguồn cấp: 24VAC / 24VDC
– Tiếp điểm: 3 NO (an toàn) / 1 NC (phụ trợ)
– Dòng đóng cắt tối đa: 8A
– Điện áp đóng cắt: tối đa 250VAC/DC


