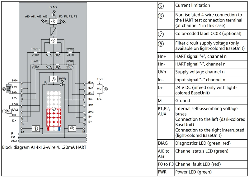
Mô-đun I/O ET 200SP 4AI HART 2-wire 6ES7134-6TD00-0CA1 là mô-đun electronic I/O mở rộng thuộc field I/O ET 200SP của Siemens
– 4 ngõ vào analog HART 2-wire
– High feature
– Độ phân giải 16-bit

– Kích thước: 73H x 15W x 58D mm
Mô-đun I/O ET 200SP 4AI HART 2-wire 6ES7134-6TD00-0CA1
– 4 ngõ vào analog HART 2-wire
– High feature
– Độ phân giải 16-bit
– Kích thước: 73H x 15W x 58D mm
Mô-đun I/O ET 200SP 4AI HART 2-wire 6ES7134-6TD00-0CA1 là mô-đun electronic I/O mở rộng thuộc field I/O ET 200SP của Siemens
– 4 ngõ vào analog HART 2-wire
– High feature
– Độ phân giải 16-bit

– Kích thước: 73H x 15W x 58D mm
Thông số kỹ thuật – Mô-đun I/O ET 200SP 4AI HART 2-wire 6ES7134-6TD00-0CA1
| Product | |||||||||||||||||||||||||||||||||||||||||||
| Article Number (Market Facing Number) | 6ES7134-6TD00-0CA1 | ||||||||||||||||||||||||||||||||||||||||||
| Product Description | SIMATIC ET 200SP, analog HART input module, AI 4XI 2-wire HART High Feature suitable for BU type A0, A1, color code CC03, channel diagnostics, 16-bit, +/-0.3%, | ||||||||||||||||||||||||||||||||||||||||||
| Product family | Analog input modules | ||||||||||||||||||||||||||||||||||||||||||
| Product Lifecycle (PLM) | PM300:Active Product | ||||||||||||||||||||||||||||||||||||||||||
| Price data | |||||||||||||||||||||||||||||||||||||||||||
| Price Group | 280 | ||||||||||||||||||||||||||||||||||||||||||
| List Price | |||||||||||||||||||||||||||||||||||||||||||
| Customer Price | |||||||||||||||||||||||||||||||||||||||||||
| Metal Factor | None | ||||||||||||||||||||||||||||||||||||||||||
| Delivery information | |||||||||||||||||||||||||||||||||||||||||||
| Export Control Regulations | AL : N / ECCN : 9N9999 | ||||||||||||||||||||||||||||||||||||||||||
| Standard lead time ex-works | 5 Day/Days | ||||||||||||||||||||||||||||||||||||||||||
| Net Weight (kg) | 0,031 Kg | ||||||||||||||||||||||||||||||||||||||||||
| Packaging Dimension | 6,50 x 7,80 x 2,30 | ||||||||||||||||||||||||||||||||||||||||||
| Package size unit of measure | CM | ||||||||||||||||||||||||||||||||||||||||||
| Quantity Unit | 1 Piece | ||||||||||||||||||||||||||||||||||||||||||
| Packaging Quantity | 1 | ||||||||||||||||||||||||||||||||||||||||||
| Additional Product Information | |||||||||||||||||||||||||||||||||||||||||||
| EAN | 4047623404972 | ||||||||||||||||||||||||||||||||||||||||||
| UPC | 804766050015 | ||||||||||||||||||||||||||||||||||||||||||
| Commodity Code | 85389091 | ||||||||||||||||||||||||||||||||||||||||||
| LKZ_FDB/ CatalogID | STPCS7 | ||||||||||||||||||||||||||||||||||||||||||
| Product Group | 2488 | ||||||||||||||||||||||||||||||||||||||||||
| Group Code | R336 | ||||||||||||||||||||||||||||||||||||||||||
| Country of origin | Germany | ||||||||||||||||||||||||||||||||||||||||||
| Compliance with the substance restrictions according to RoHS directive | Since: 31.01.2012 | ||||||||||||||||||||||||||||||||||||||||||
| Product class | A: Standard product which is a stock item could be returned within the returns guidelines/period. | ||||||||||||||||||||||||||||||||||||||||||
| WEEE (2012/19/EU) Take-Back Obligation | Yes | ||||||||||||||||||||||||||||||||||||||||||
| REACH Art. 33 Duty to inform according to the current list of candidates |
|
||||||||||||||||||||||||||||||||||||||||||
| SCIP number | f9e2b22c-2742-49eb-9df3-561567b89aff | ||||||||||||||||||||||||||||||||||||||||||
| Classifications | |||||||||||||||||||||||||||||||||||||||||||
|
|||||||||||||||||||||||||||||||||||||||||||