Kẹp cáp thoát nhiễu điện từ cáp 17mm 36206: Là phụ kiện EMC/EMI dùng để kết nối lớp shield của dây cáp với đất. Nó thiết kế để giải quyết vấn đề nhiễu điện từ cho các cáp có đường kính lớp che chắn nằm trong khoảng 11 – 17 mm
– Đường kính lá chắn tối thiểu: 11 mm
– Đường kính lá chắn tối đa: 17 mm
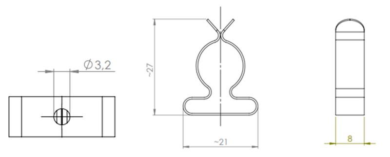
– Chiều dài: 8 mm
– Chiều rộng: 21 mm
– Chiều cao: 27 mm
– Số lượng lỗ vít: 1
– Đường kính lỗ vít: 3.2 mm


