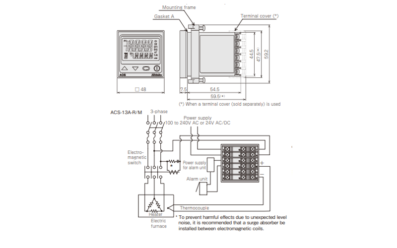
Đồng hồ nhiệt độ 48x48mm ngõ ra rơ-le ACS-13A-R/M, AC100-240: Một bộ điều khiển nhiệt độ (temperature controller) thuộc dòng ACS của Shinko Technos

– Điều khiển PID
– Có nhiều lựa chọn đầu vào: TC, RTD, DC dòng và áp
– Ngõ ra điều khiển: rơ-le
– Kích thước 48×48 mm (W×H)
– Nguồn cấp 100-240 V AC
– Chống nước/ chống bụi IP66 (mặt trước)

