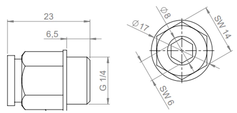
Đầu nối khí nén tại vách ngăn tủ điện 99227: Dùng để gắn vào khung đầu vào cáp như KEL‑QUICK, AT‑K‑M,… giúp luồn ống khí nén (pneumatic hose) 8 mm qua vách tủ điện
– Vật liệu: Đồng thau, mạ niken
– Lắp đặt: Lắp đặt kiểu đai ốc
– Chiều dài: 23 mm
– Phù hợp với ống khí nén 8 mm


