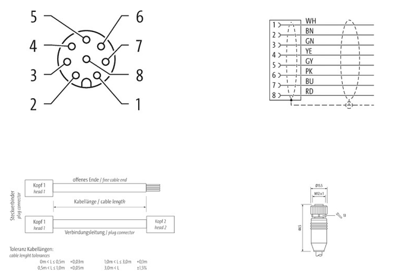
Cáp bọc chống nhiễu 15m có đầu nối M12 female 0° A-code 8 chân 7000-17121-2911500: là dây cáp kết nối tín hiệu có đầu nối loại M12, female (đầu nối cái), dạng thẳng, 8 chân, A-code
– PUR 8×0.25 shielded gy UL/CSA+drag ch. 15m
– Có sẵn cáp dài 15m, có bọc chống nhiễu
– M12 cái (0°), 8 chân, A-code

– Chịu dầu và chống mài mòn

