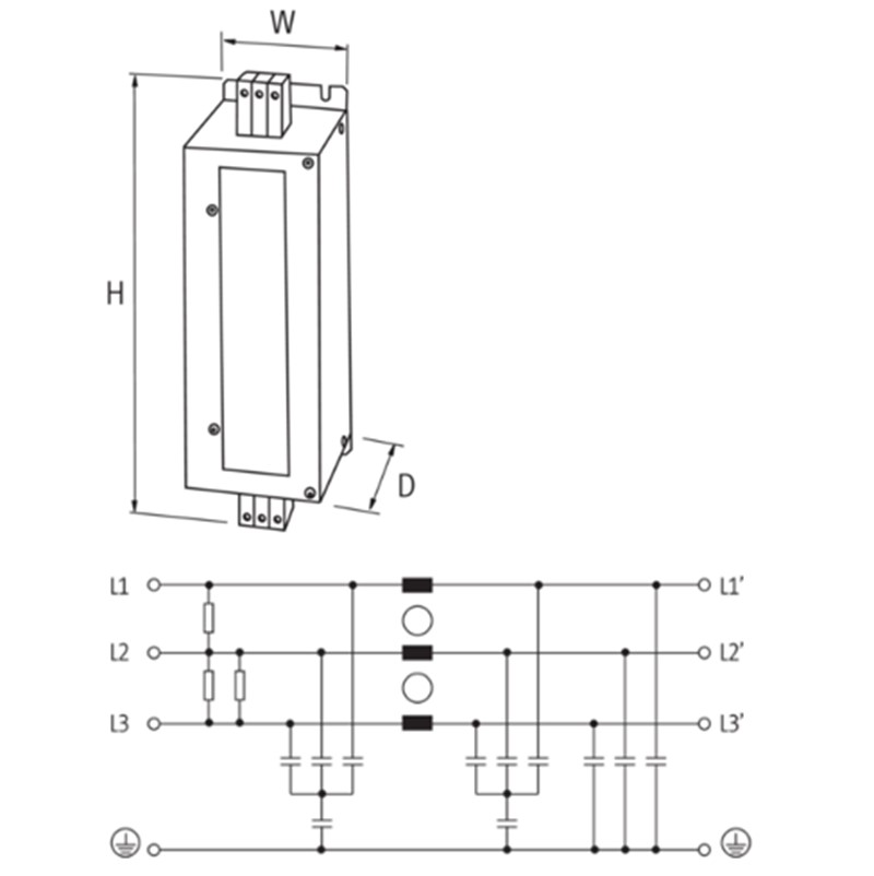
Bộ lọc nhiễu điện từ 3 pha 1 tầng 25A MEF 10533: Giảm nhiễu dẫn trên đường nguồn 3 pha, đáp ứng tiêu chuẩn EMC
– I:25A
– U:3×600 VAC book-style
– Chiều cao: 250 mm
– Chiều rộng: 90 mm
– Độ sâu: 100 mm
– Dòng điện quá tải 18× (IN t) tối đa 0,5 ms; 1,5× (IN t) tối đa 1 phút (1 lần mỗi giờ)
– Tần số công suất 50 … 60 Hz
– Số AWG tối thiểu: 24
– Số AWG tối đa: 7


