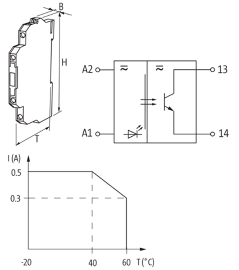
Rơ-le quang điện 24-230V AC/DC 0.5A MIRO 52573: Module cách ly quang điện (opto-coupler) dùng để cách ly tín hiệu điều khiển và tải AC/DC trong tủ điện/tủ điều khiển công nghiệp
– IN: 230 VAC/DC
– OUT: 253 VAC/DC / 0,5 A
– Đầu nối kiểu vít 6.2 mm
– Chiều cao: 78 mm
– Chiều rộng: 6.2 mm
– Độ sâu: 70 mm
– Tần số chuyển mạch tối đa: 2.5 Hz


