Rơ-le quang điện 10-53VDC ngõ ra transistor 1.2A 50040: Module cách ly tín hiệu quang điện, dùng để truyền tín hiệu giữa mạch điều khiển và mạch công suất trong hệ thống tự động
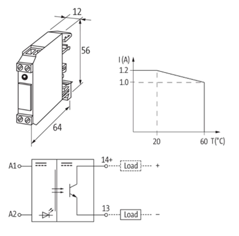
– IN: 53 VDC
– OUT: 53 VDC / 1,2 A; đầu nối loại vít 12 mm
– Chiều cao: 56 mm
– Chiều rộng: 12 mm
– Độ sâu: 64 mm


