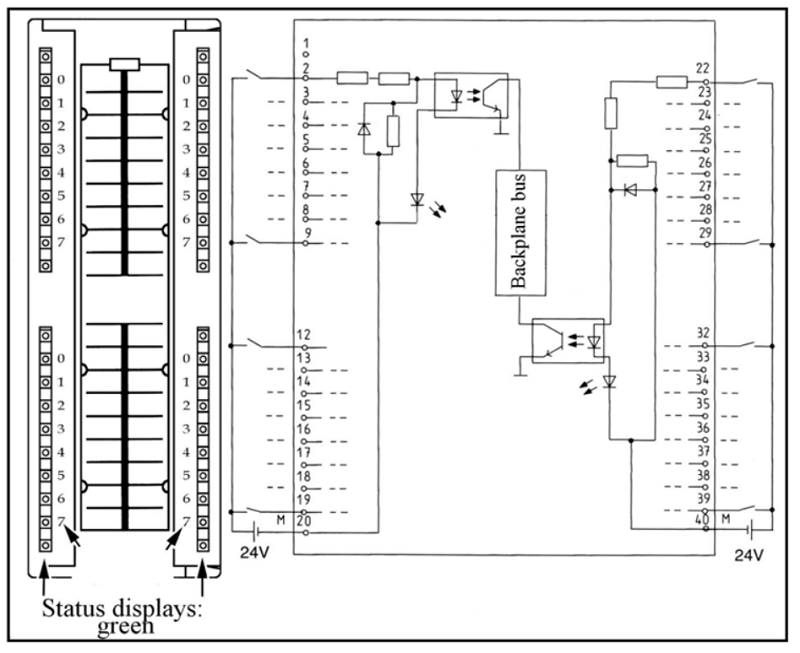
Mô-đun ngõ vào số DI32 24VDC 700-321-1BL00: là mô-đun 32 ngõ vào digital 24 VDC dùng cho PLC S7-300
– 32 ngõ vào digital 24 VDC
– Có đèn LED báo trạng thái hoạt động ngõ vào
– Front connectors 40-pin

– Kích thước (DxWxH): 116 x 40 x 125 mm
Mô-đun ngõ vào số DI32 24VDC 700-321-1BL00
– 32 ngõ vào digital 24 VDC
– Có đèn LED XLC báo trạng thái hoạt động
– Kích thước (DxWxH): 116 x 40 x 125 mm
– Front connector 40 p
– IP20
Mô-đun ngõ vào số DI32 24VDC 700-321-1BL00: là mô-đun 32 ngõ vào digital 24 VDC dùng cho PLC S7-300
– 32 ngõ vào digital 24 VDC
– Có đèn LED báo trạng thái hoạt động ngõ vào
– Front connectors 40-pin

– Kích thước (DxWxH): 116 x 40 x 125 mm
Thông số kỹ thuật – Mô-đun ngõ vào số DI32 24VDC 700-321-1BL00
General information
Electrical isolation
Input voltage
Cable length
Current draw
Ambient conditions