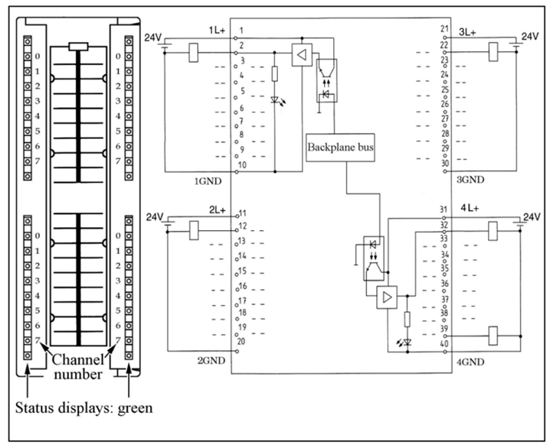
Mô-đun ngõ ra số DO32 700-322-1BL00: là mô-đun 32 ngõ ra digital 24 VDC 0.5 A dùng cho PLC S7-300
– 32 ngõ ra digital 24 VDC, 0.5 A
– Có đèn LED XLC báo trạng thái hoạt động

– Front connectors 40-pin

– Kích thước (DxWxH): 116 x 40 x 125 mm
Mô-đun ngõ ra số DO32 700-322-1BL00
– 32 ngõ ra digital 24 VDC, 0.5 A
– Có đèn LED XLC báo trạng thái hoạt động
– Kích thước (DxWxH): 116 x 40 x 125 mm
– Front connector 40 pin
– IP20
Mô-đun ngõ ra số DO32 700-322-1BL00: là mô-đun 32 ngõ ra digital 24 VDC 0.5 A dùng cho PLC S7-300
– 32 ngõ ra digital 24 VDC, 0.5 A
– Có đèn LED XLC báo trạng thái hoạt động

– Front connectors 40-pin

– Kích thước (DxWxH): 116 x 40 x 125 mm
Thông số kỹ thuật – Mô-đun ngõ ra số DO32 700-322-1BL00
General information
Electrical isolation
Supply voltage UP, US
Cable length
Ambient conditions