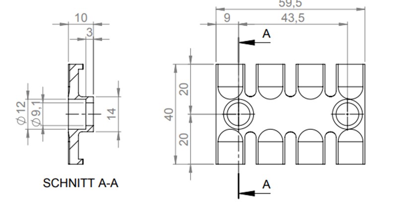
Lược giữ cố định 4 cáp ZL 32224 của Icotek: Một loại khung kẹp cáp – giải pháp giữ cáp (strain-relief) dùng trong tủ điện, bảng điều khiển
– Chiều dài L1: 59.5 mm
– Chiều dài L2: 43.5 mm
– Chiều rộng: 40 mm
– Chiều cao: 10 mm
– Số lượng răng: 4
– Đường kính lỗ vít: 9 mm


