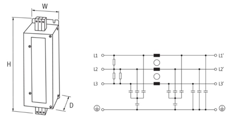
Bộ lọc nhiễu điện từ 3 pha 1 tầng MEF 10533: Thiết bị dùng để giảm nhiễu điện từ (EMI) trong hệ thống điện 3 pha
– I:25A
– U:3×600 VAC book-style
– Chiều cao: 250 mm
– Chiều rộng: 90 mm
– Độ sâu: 100 mm
– Số AWG tối thiểu/ tối đa: 24 / 7
– Đầu vào số pha 3


